Резервуарное оборудование
Захват ЗК-18
|
ТД "НефтеПромСнаб" предлагает Захват ЗК-18. Захват ЗК-18 предназначен для прямого подсоединения гибкого рукава к угловому вентилю железнодорож-ного вагона-цистерны при сливе-наливе сжиженных углеводородных газов. Захваты изготавливаются в двух исполнениях: ЗК-6м - из конструкционной стали, с медным покрытием, ЗК-6н - из нержавеющей стали. При применении металлорукава, концевая часть его приваривается к переходнику; в случае применения резинотканевого рукава, он закрепляется на переходнике обжимными элементами. |
ТУ 3689-053-10524112-2006.
|
По устойчивости к воздействию климатических факторов внеш¬ней среды захват изготавливается в исполнении У и УХЛ, категория размещения 1 по ГОСТу 15150-69.
Пример обозначения при заказе: ЗК-6м У1, ТУ 3689-053-10524112-2006, где: м - захват из конструкционной стали, с медным покрытием, У1- климатическое исполнение.
Техническая информация
|
|
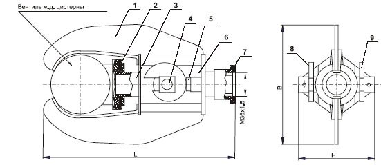
Общий вид захвата ЗК-18: 1-кронштейн;2-прокладка;3-шток;4-ось;5-опора; 6-корпус; 7-прокладка; 8,9-кулачки |
|



